Welcome to YUMETAL Offical Website !

S.M1518 Handrail

S.M1518 Handrail

Stainless Steel AISI316

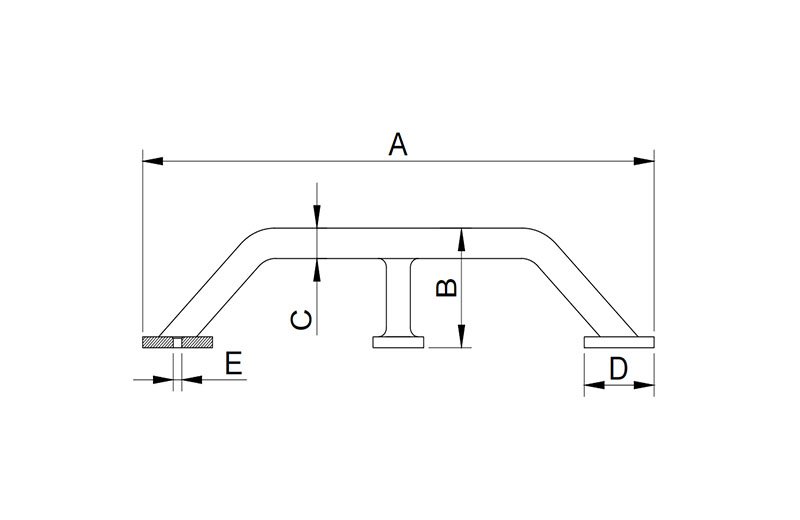
Technical parameters

Art No.A mmB mmC mmD mmE mm
S.M1518-1100110010025605.5


Inquiry Now

If you have any questions, feedback or comments, please fill out the form below and we will reply you back as soon as possible.

Mobile Site

0086-532-85805383

+

Inquire

Inquire Now
0
0