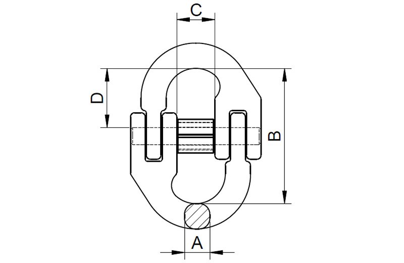
| ART NO. | SIZE | A | B | C | D | WLL | WT |
| mm | mm | mm | mm | mm | lbs | kgs | |
| S.CNL01-06 | 6 | 7 | 44 | 15 | 17 | 2200 | 0.14 |
| S.CNL01-7/8 | 7-8 | 9 | 56 | 18 | 22 | 2800 | 0.20 |
| S.CNL01-10 | 10 | 12 | 68 | 25 | 26 | 4400 | 0.38 |
| S.CNL01-13 | 13 | 16 | 91 | 30 | 35 | 7400 | 0.76 |
| S.CNL01-16 | 16 | 20 | 106 | 36 | 41 | 11000 | 1.10 |
Stainless Steel AISI316 & AISI304
| ART NO. | SIZE | A | B | C | D | WLL | WT |
| mm | mm | mm | mm | mm | lbs | kgs | |
| S.CNL01-06 | 6 | 7 | 44 | 15 | 17 | 2200 | 0.14 |
| S.CNL01-7/8 | 7-8 | 9 | 56 | 18 | 22 | 2800 | 0.20 |
| S.CNL01-10 | 10 | 12 | 68 | 25 | 26 | 4400 | 0.38 |
| S.CNL01-13 | 13 | 16 | 91 | 30 | 35 | 7400 | 0.76 |
| S.CNL01-16 | 16 | 20 | 106 | 36 | 41 | 11000 | 1.10 |
If you have any questions, feedback or comments, please fill out the form below and we will reply you back as soon as possible.