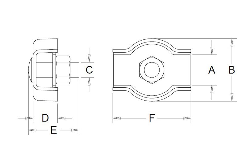
| Art No. | SIZE | A | B | C | D | E | F |
| mm | mm | mm | mm | mm | mm | mm | |
| S.CL05-02 | 2 | 4 | 12 | M4 | 5 | 14 | 15 |
| S.CL05-03 | 3 | 6 | 14 | M4 | 7 | 14 | 17 |
| S.CL05-04 | 4 | 8 | 18 | M5 | 7 | 18 | 20 |
| S.CL05-05 | 5 | 10 | 20 | M5 | 8 | 18 | 25 |
| S.CL05-06 | 6 | 12 | 24 | M6 | 9 | 23 | 30 |
| S.CL05-08 | 8 | 17 | 30 | M8 | 13 | 25 | 37 |
| S.CL05-10 | 10 | 21 | 35 | M10 | 16 | 32 | 45 |
Stainless Steel AISI316 or AISI304
| Art No. | SIZE | A | B | C | D | E | F |
| mm | mm | mm | mm | mm | mm | mm | |
| S.CL05-02 | 2 | 4 | 12 | M4 | 5 | 14 | 15 |
| S.CL05-03 | 3 | 6 | 14 | M4 | 7 | 14 | 17 |
| S.CL05-04 | 4 | 8 | 18 | M5 | 7 | 18 | 20 |
| S.CL05-05 | 5 | 10 | 20 | M5 | 8 | 18 | 25 |
| S.CL05-06 | 6 | 12 | 24 | M6 | 9 | 23 | 30 |
| S.CL05-08 | 8 | 17 | 30 | M8 | 13 | 25 | 37 |
| S.CL05-10 | 10 | 21 | 35 | M10 | 16 | 32 | 45 |
If you have any questions, feedback or comments, please fill out the form below and we will reply you back as soon as possible.