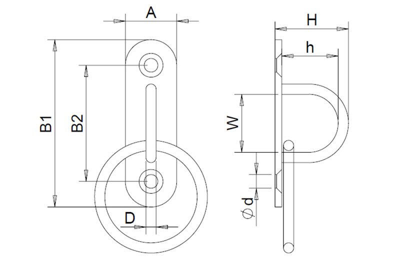
| ART. NO | D | A | B1 | B2 | H | h | W | d | Ring | 
| mm | mm | mm | mm | mm | mm | mm | mm | mm | |
| S.PL04-05 | 5 | 15 | 45 | 35.5 | 20 | 12 | 14 | 12 | 5x30 | 
| S.PL04-06 | 6 | 20 | 60 | 46 | 25 | 17 | 18 | 17 | 6x40 | 
| S.PL04-08 | 8 | 26 | 80 | 60 | 32 | 21 | 20 | 21 | 8x50 | 
| S.PL04-09 | 9 | 32 | 100 | 73 | 38 | 26 | 22 | 26 | 9x60 | 
                                                                                                                Stainless Steel AISI316 & AISI304
                                                                    
| ART. NO | D | A | B1 | B2 | H | h | W | d | Ring | 
| mm | mm | mm | mm | mm | mm | mm | mm | mm | |
| S.PL04-05 | 5 | 15 | 45 | 35.5 | 20 | 12 | 14 | 12 | 5x30 | 
| S.PL04-06 | 6 | 20 | 60 | 46 | 25 | 17 | 18 | 17 | 6x40 | 
| S.PL04-08 | 8 | 26 | 80 | 60 | 32 | 21 | 20 | 21 | 8x50 | 
| S.PL04-09 | 9 | 32 | 100 | 73 | 38 | 26 | 22 | 26 | 9x60 | 
If you have any questions, feedback or comments, please fill out the form below and we will reply you back as soon as possible.